
Franzis-Verlag, 2006

1 Einleitung
Vielleicht können Sie sich noch an die Röhrenradios aus den 1950er Jahren erinnern, an das geheimnisvolle grüne Leuchten des Magischen Auges, das fahle Licht der Skalenbeleuchtung, an das Glühen der Röhren, wenn man einen Blick in das Innere riskierte, dazu das polierte Holzgehäuse und an den schönen Klang. Man musste immer erst eine Minute warten, bis die Röhren angeheizt waren. Viele dieser Geräte funktionieren heute noch tadellos. Irgendwann in der Zeit zwischen 1960 und 1980 wurden die Elektronenröhren allerdings weitgehend aus dem Alltag verdrängt.
Es gibt jedoch einige Anwendungen, in denen Röhren auch heute noch aktuell sind. Verstärkerröhren spielen immer noch eine wichtige Rolle in der Sendetechnik und im Audiobereich, z.B. auch bei Gitarrenverstärkern. Eigene Versuche mit Röhren sind daher mehr als nur ein nostalgischer Blick zurück, sie münden auch in konkrete und ernstzunehmende Anwendungen.
Bei der Planung dieses Lernpakets waren die wichtigsten Aufgaben die Beschaffung einer geeigneten Röhre und die Aufbautechnik. Das Lernpaket sollte flexibel, vielseitig und einfach in der Anwendung sein. Deshalb wurde eine Steckplatine verwendet, auf der sich die selben Bauteile immer wieder anders einsetzen lassen.
Wenn Sie alle Versuche erprobt haben, sollte die Röhre einen angemessenen Einsatz finden, sei es in einem Radio, einem Stereo-Kopfhörerverstärker oder in einem anderen Gerät, das Sie selbst entwickelt haben. Dem Lernpaket liegt deshalb eine Röhrenfassung bei, die sich auch in ein Chassis oder in ein Gehäuse einbauen lässt. Ihr endgültiger Aufbau wird sicherlich Lötverbindungen verwenden.. Auch die Vorbereitungen zu diesem Lernpaket erfordert schon einen Lötkolben. Sie selbst löten Übergangsdrähte und Kontakte an die Röhrenfassung, den Drehkondensator und das Poti an. Falls im Laufe der Versuche ein Draht bricht, können Sie die Verbindung problemlos selbst wieder instand setzen.
In einem typischen Röhrenradio fand man Röhren wie die EF89 und die EL84, die mit Spannungen um 250 V betrieben wurden. In den 1950er und 1960er Jahren gab es Kosmos-Radio-Baukästen mit der legendären Radioröhre EF98, die für kleine Spannungen in Autoradios entwickelt worden war und deshalb mit einer ungefährlichen Batteriespannung betrieben werden konnte. Wer damals einen solchen Baukasten hatte, konnte damit einfache Experimente durchführen, die er später nie mehr vergessen hat. Manch ein späterer Ingenieur hat so in der Radiotechnik seine ersten Schritte in die Elektronik getan.
Etwa zur selben Zeit gab es in der Industrie Entwicklungen, die zu ganz eigenen Röhren geführt haben. So wurde z.B. 1957 von Konrad Zuse der legendäre Röhren-Computer Z22 mit speziellen Langlebensdauer-Röhren gebaut. Der Computer hatte 500 Röhren und verbrauchte eine Leistung von 3,5 Kilowatt. Gehen Sie einmal ins Deutsche Museum in München und nehmen Sie sich genügend Zeit für die entsprechende Abteilung mit. Sie finden dort einen Computer aus dieser Zeit mit zahllosen Röhren E90CC. Laut Datenblatt von 1957 handelt es sich dabei um eine Doppeltriode zur Verwendung in Rechenmaschinen mit einer Lebensdauer von über 10.000 Stunden. Die Lebensdauer war wegen der großen Anzahl von Röhren extrem wichtig, da es bei der großen Wärmeentwicklung ohnehin zu vermehrten Ausfällen kam. Die Röhre wurde speziell für die Anforderungen in der frühen Computertechnik entwickelt und bekam daher eine leistungsfähige Kathode, die sowohl hohe Impulsströme als auch längere Zeiten ohne Strom verkraften konnte, die bei anderen Röhren die Eigenschaften der Kathode verändern können. Die gleiche Röhre wurde auch mit der Bezeichnung ECC960 gebaut.
Sorgfältig gelagerte Röhren bleiben praktisch beliebig lange einsatzfähig. Und es gab noch relativ lange Industrieanlagen, die mit solchen Röhren bestückt waren. So war es auch heute noch möglich, eine ausreichend große Zahl ungebrauchter, originaler Röhren E90CC (= ECC960) zu bekommen, und deshalb können Sie nun mit genau der gleichen Röhre arbeiten, die schon den ersten Computern Leben eingehaucht hat. Konrad Zuse hätte vielleicht gesagt, diese Röhre ist viel zu schade, um daraus ein einfaches Radio oder einen Verstärker zu bauen. Aber auch hier zeigt die Röhre einige unschlagbare Vorteile. Dank ihrer kräftigen Kathode kommt sie bereits mit kleinen Spannungen aus und kann mit einer Anodenspannung von 6 V arbeiten. Dazu kommt, dass man praktisch zwei Röhren in einem Glaskolben hat, nämlich zwei Trioden, die weitgehend unabhängig eingesetzt werden können und zahlreiche Schaltungsvarianten erlauben.
Dank dieser Röhre können Sie nun Röhrenradios bauen, ganz so wie es früher üblich war, aber mit einem wichtigen Unterschied: Es wird keine gefährlich hohe Spannung benötigt, sondern die Heizspannung von 6 V ist zugleich auch die Anodenspannung. Alle Versuche können mit Batterien durchgeführt werden. So ist das Experimentieren mit der Röhre einfach und "entspannt" im wahrsten Sinne des Wortes.
Obwohl die eigentlichen Versuche auf der Steckplatine aufgebaut werden, sind zur Vorbereitung geringfügige Lötarbeiten erforderlich. Sie müssen Anschlussdrähte an die Röhrenfassung, den Drehkondensator und das Potentiometer löten. Falls Sie noch keine Erfahrungen mit dem Lötkolben haben, können Sie sich im Internet auf dem Elektronik-Expermentierserver ELEXS (www.elexs.de) über die notwendigen Grundlagen informieren. Dort finden Sie auch weitere Anregungen und Projekte zum Thema Radiotechnik und Elektronenröhren.
Inhalt des Experimentierhandbuchs:
1 Einleitung 7
1.1 Die Röhre E90CC 8
1.2 Vorbereitungen 11
2 Schnellstart: Das Mittelwellen-Radio 25
2.1 Die Schaltung 25
2.2 Aufbau 26
2.3 Inbetriebnahme 28
3 Grundversuche 29
3.1 Heizung 29
3.2 Die Triode 30
3.3 Gitterstrom 32
3.4 Röhre als Gleichrichter 34
3.5 Anodenstrom und Steilheit 36
3.6 Gesteuerter Anodenstrom 39
3.7 NF-Verstärker 41
3.8 Spannungsverstärkung 43
4 NF-Verstärker 45
4.1 Kopfhörerverstärker 45
4.2 Mehr Anodenstrom 47
4.3 RC-Kopplung 49
4.4 Trioden-Vorverstärker 49
4.5 Zweistufiger Vorverstärker 51
5 Mittelwellen-Radioschaltungen 55
5.1 Röhren-Detektorempfänger 55
5.2 Antennenkopplung 57
5.3 Die Audionschaltung 60
5.4 Rückkopplung 61
6 Kurzwellenempfang 65
6.1 Breitband-Audion 65
6.2 Eigenbau-Spule 67
6.3 Kurzwellenaudion mit Rückkopplung 68
6.4 Pendelaudion bis 16 MHz 70
7 HF-Oszillatoren 73
7.1 Ein Quarz-Oszillator 73
7.2 Zweistufiger Sender 74
7.3 Amplitudenmodulation 76
7.4 DRM-Empfang 78
8 Röhrenprojekte mit hoher Anodenspannung 83
8.1 Spannungsversorgung 83
8.2 Audioverstärker 84
8.3 Gegentaktverstärker 85
8.4 Kurzwellen-Audion 86
Anhang 89
Textauszug:
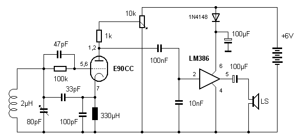
6.4 Pendelaudion bis 16 MHz
Ein Pendelaudion ist ein Empfänger mit extrem hoher Empfindlichkeit. Die Schaltung entspricht weitgehend der eines normalen Audions. Allerdings wird der Pendelempfänger mit starker Rückkopplung betrieben, die zu kräftigen Eigenschwingungen führt. Dieser verursachen einen Gitterstrom, der den Gitterkondensator so weit negativ auflädt, bis die Röhre sperrt. Damit wird der Oszillator gestoppt. Sobald der Gitterwiderstand den Gitterkondensator entladen hat, werden neue Schwingungen aufgebaut, die wieder die Röhre sperren usw. Im Endergebnis entstehen Pendelschwingungen mit einer Pendelfrequenz im Bereich über 10 kHz, die teilweise als hohes Pfeifen hörbar sind. Man kann dann versuchen eine besserer Potistellung zu finden, mit der die Pendelfrequenz über die Hörgrenze ansteigt.
Die hohe Empfindlichkeit des Pendelaudions beruht darauf, dass jedes neue Anschwingen des Oszillators bereits durch extrem schwache Empfangssignale unterstützt wird, die dabei verstärkt werden. Ohne ein Signal wird der Vorgang nur durch das Eigenrauschen des Schwingkreises und der Röhre eingeleitet. Deshalb hört man ein starkes Rauschen. Stimmt man das Pendelaudion auf die Frequenz eines Senders ab, verschwindet das Rauschen. Statt dessen wird die Modulation des Senders hörbar. Die Empfindlichkeit des Empfängers beruht u.a. darauf, dass sich das HF-Signal am Schwingkreis im Verlauf vieler HF-Schwingungen langsam exponentiell verstärkt. Eine ausreichend hohe Pendelfrequenz ist daher nur mit einer hohen Empfangsfrequenz erreichbar. Das Prinzip ist deshalb nur bei Frequenzen ab etwa 15 MHz zu verwenden.

Abb. 6.7 Das Pendelaudion
Die Schaltung nach Abb. 6.7 hat einen kapazitiven Spannungsteiler zur Zuführung des verstärkten Kathodensignals. Mit den Kondensatoren von 33 pF und 100 pF wird der Schwingkreis bei etwa 25% angezapft, was zu einer stärkeren Rückkopplung führt als bei den bisherigen Audionschaltungen. Der Kathodenstrom wird über die Festinduktivität von 330 µH als Kathodendrossel abgeleitet.

Abb. 6.8 Kurzwellenempfang ohne Antenne
