
Software
Defined Radio mit IQ-Mischer
Begriffe wie Software Defined Radio und IQ-Mischer sind hochaktuell. DRM mit hoher Qualität und gleichzeitig mit geringem Aufwand empfangen, das geht mit einem IQ-Mischer. Er besteht aus zwei identischen Mischstufen, die mit einem um 90 Grad phasenverschobenen Signal angesteuert werden. In Elexs (www.elexs.de/iq1.htm) wurden dazu einige Versuche vorgestellt. Als Oszillator dient der programmierbare Quarzoszillator auf der Basis des CY27EE16. Damit lässt sich eine Arbeitsfrequenz bis ca. 30 MHz erreichen.

Als eigentliche Mischer werden hier Analogschalter vom Typ 74HC4066 eingesetzt. Die Schaltung verwendet außerdem einen digitalen Teiler mit dem 74AC74, der die Oszillatorfrequenz durch vier teilt und die Phasenverschiebund erzeugt. Damit der Einsieg in diese Technik leicht fällt wurde eine Platine entwickelt, die den gesamten Mischer/Oszillator als Modul bereitstellt. Nach außen führen nur die beiden Mischer I und Q in Form von Analogschalter-Umschaltern mit jeweils drei Anschlüssen.

Hier sollen die verschiedenen Schaltungsvarianten genauer analysiert werden. Das Ziel ist es, die beste mögliche Schaltung zu finden. Für den ersten Versuch reicht bereits ein extrem einfacher Empfänger mit nur einem zusätzlichen Widerstand. Er empfängt bereits starke DRM-Signale an einer ausreichend langen Drahtantenne.

Außer der fehlenden Verstärkung leidet dieser einfache Empfänger unter einer reduzierten Spiegelunterdrückung von nur etwa 20 dB. Die Ursache liegt in der schlechten Entkopplung zwischen beiden Mischern. Es besteht eine Kopplung zwischen L, dem Antenneneingang und R mit dem Ergebnis, dass die Phasenverschiebung geringer als 90 Grad ausfällt. Das Vektordiagramm zeigt was passiert: Aus einer Phasenverschiebung von 90 Grad wird durch die Verkopplung z.B. nur noch eine von 70 Grad.

Dieses Problem wird verringert, wenn man symmetrische Balancemischer einsetzt. Mit einem kleinen Übertrager mit Mittelanzapfung wird erreicht, dass alle vier Phasen verarbeitet werden. Die Schaltung erreichte eine Spiegelunterdrückung von ca. 40 dB.
Daraus folgt, dass ein IQ-Mischer alle vier Phasen gleich verarbeiten muss. Zwar gibt es dann immer noch eine Kopplung zwischen den einzelnen Kanälen, aber die zusätzlichen Signalkomponenten mit - 90 Grad und + 90 Grad heben sich gegenseitig auf, wenn sie genau gleich groß sind. Das ist bei der Verwendung eines Übertragers mit Mittelanzapfung gegeben, wenn er eine gute Symmetrie aufweist.

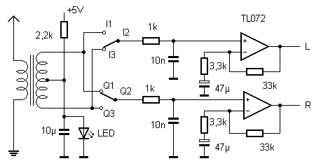
Ein HF-Übertrager kann immer auch die Ursache für zusätzliche Unsymmetrie sein. Der folgende Versuch verwendet deshalb einen symmetrischen Mischer mit vier NF-Ausgangskanälen, die durch zwei Differenzverstärker zusammengeführt werden. Die Idee war, alle Ausgänge jeweils genau mit 10 k zu belasten. Ob das bei dieser Schaltung wirklich gegeben ist, soll im Folgenden noch untersucht werden. Die Filterkondensatoren von 2,2 nF wurden so gewählt, dass die Tiefpass-Grenzfrequenz weit über der Bandgrenze von 24 kHz liegt. Dann können sich nämlich Toleranzen im Durchlassbereich kaum noch als zusätzliche Phasenverschiebungen auswirken. Die einfachen Tiefpassfilter dienen nur dazu, übermäßige HF-Reste von den OPV fern zu halten. Die eigentliche Filterung bleibt dem Antialiasing-Filter der Soundkarte überlassen.

Die Schaltung erreichte auf Anhieb eine gute Spiegelunterdrückung von > 40 dB. Die große Gesamtverstärkung von ca. 40 dB brachte Vorteile für schwache Signale, wenn auch extrem starke Rundfunksender bereits einen Antennenabschwächer erforderlich machen. Eine Schwäche der Schaltung war die geringe obere Grenzfrequenz. Oberhalb etwa 12 MHz sank die Empfindlichkeit stark ab. Ein Versuch zeigte, dass die beiden 1-k-Widerstände vor den Mischern das Problem sind. Wenn man beide überbrückt, bleibet die Empfindlichkeit bis über 25 MHz erhalten. Nur leider wird damit die Spiegelunterdrückung etwas schlechter.
Ein Vergleich mit einem älteren Amateurfunk-Transceiver Sommerkamp
FT-7B zeigte folgendes Ergebnis: Beim Empfang von CW- und SSB-Stationen
im 80-, 40- und 20-m-Band brachten beide Geräte an der gleichen Antenne
etwa gleiche Ergebnisse. Wenn allerdings alle Möglichen der SDR-Software
wie z.B. einstellbare Filterbandbreite oder Noise Reduction verwendet wurden,
war der einfache IQ-Empfänger dem traditionellen Konzept überlegen.
